 
															
Il verricello per offroad CE M8000, compatto e potente, è dotato di un motore da 4,8 CV della serie "Wound".
- Codice: 1-265022 (12 V) - 1-265032 (24 V)
- Capacità tiro lineare 3.600 Kg
- Motore: 12 V 4,8 Hp - 24 V 2,5 Hp
- Comando: telecomando 3,7 m
- Tipo riduzione: planetario a tre stadi
- Rapporto riduzione: 216:1
- Freno: automatico
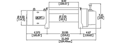
- Dimensioni tamburo: 226,5 x 63,5 mm
- Peso: 34 Kg
- Cavo metallico: 30 m x 8 mm
- Guidacavo: Rulliera
Vi ricordiamo che la miglior prestazione del verricello viene ottenuta sul primo strato del tamburo.