
Il verricello industriale elettrico della serie 15 DC con motore a 24V di WARN è il nostro verricello di elevata capacità.
Le caratteristiche includono un box contatti e un comando resistenti all'acqua, un freno progettato per uso prolungato e un motore da 3.8 Hp protetto da un interruttore termico di sovraccarico.
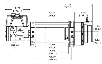
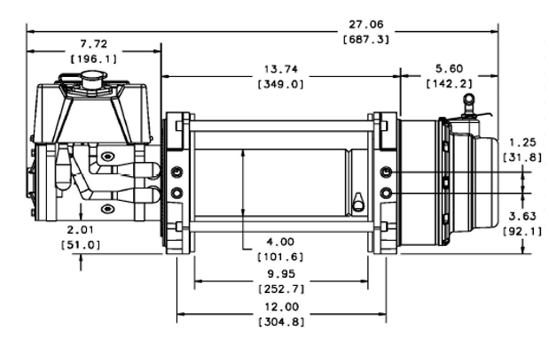
Portata 6.818 Kg.
Senza cavo.
Quando è ora di lavorare, hai bisogno di un argano di cui ti puoi fidare. WARN ha fabbricato verricelli elettrici durevoli e affidabili per decenni.
Tutti i verricelli industriali elettrici WARN sono dotati di motori industriali inglobati in queste serie chiamate “heavy duty” a 12V o 24V con ingranaggi planetari a tre stadi fatti di acciaio temprato.
Il loro compito è quello di fornire prestazioni affidabili, tirare e continuare a tirare.
Che tu stia lavorando su un camion dei pompieri o utilizzando un argano da un veicolo pubblico, conta sempre sull’affidabilità degli argani a planetari industriali WARN, sono conformi agli standard più severi del mondo, inclusi SAE J706 e NFPA.
Il robusto pacchetto di controllo contattore industriale è sigillato e resistente agli agenti atmosferici. I contatti d’argento gestiscono gli amplificatori alti e consentono un ciclo di lavoro più elevato. La frizione a bloccaggio meccanico
permette il freespooling della fune dell’argano. Motore a corrente continua serie 12V o 24V. Freno a disco automatico autobloccante. Altamente affidabile e robusto. Conforme allo standard SAE J706, fino a 18.000 lb. Grande diametro del tamburo da 4“ per una maggiore durata della fune del verricello con meno torsioni. Acciaio indurito, ingranaggio planetario a 3 stadi per un funzionamento efficiente e affidabile. Telecomando di qualità industriale resistente alle intemperie con connettore twist-on da 10 m.