
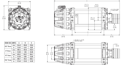
Motore: idraulico 5.0 ci ROTAZIONE ORARIA
Diametro flangia del tamburo: 209.3mm
Larghezza del tamburo: 252.7mm
Capacità di tiro: 18000lb/8165Kg
Freno: automatico SAE J706 Sec. 4.2
Diametro cavo raccomandato: 12.7mm
Diametro massimo del cavo: 12.7mm
Strati massimi sul tamburo: 3 con diametro 12.7 mm
Capacità minima di rottura del cavo: 12065Kg
Ratio: 36:1
Frizione: manuale
Temperatura di lavoro: -40° fino a 70° C
Grado di protezione: IP68
Peso: 40Kg
I verricelli industriali WARN Serie G2 sono ideali per applicazioni industriali grazie alle migliorate prestazioni e una migliore durata che consentono di lavorare in modo più facile. I verricelli della Serie G2 possono anche essere utilizzati per applicazioni specifiche in base alle esigenze.
Si può scegliere diversi tipi per lunghezze di tamburo, rulliera, bocca guida-cavo, etc. Sono disponibili i modelli idraulici, elettrici o per impieghi gravosi e hanno capacità che variano da 9.000 libbre (4.082 Kg) a 18.000 libbre (8.165 Kg) con le seguenti caratteristiche:
I modelli idraulici sono disponibili in diverse varianti: con rotazione del tamburo in senso orario e antiorario e con opzione di frizione manuale e ad aria (pneumatica). Sono ideali nel settore del traino e del recupero che richiedono un utilizzo giornaliero intensivo. Presentano un design robusto e pratico per la manutenzione con un blocco ingranaggi resistente per una prestazione migliore.
I modelli elettrici sono disponibili in diverse varianti: con rotazione del tamburo in senso orario e antiorario e con frizione manuale sia a 12V che a 24V. Sono ideali per interventi di primo soccorso, per veicoli commerciali e molte applicazioni in cui è necessario un verricello elettrico a 12V o 24V. Le prestazioni migliorate aiutano a portare a termine i lavori in modo rapido e affidabile. Inoltre offrono un riavvolgimento rapido durante il traino, affidabile e silenzioso con una riduzione fino al 65% di vibrazioni e di rumore.
La serie Severe Duty include due varianti con capacità diversa (12.000 e 18.000 libbre), con un'unica possibile rotazione di tamburo in senso antiorario e frizione manuale, con diverse lunghezze del tamburo e del cavo. Sono ideali per le situazioni più impegnative come applicazioni militari; sono dotati di rivestimento CARC resistente ad agenti chimici.
PRESTAZIONI PER STRATO:
STRATO DI CAVOCAPACITA' DI TIRO (Kg)VELOCITÀ' DI TIRO 10 GPM (m/min)VELOCITÀ' DI TIRO 15 GPM (m/min) 181653.96.3266804.77.7356525.69.1
PRESTAZIONI SUL PRIMO STRATO:
CAPACITA' DI TIRO (Kg)PRESSIONE A 10 GPM (psi)PRESSIONE A 15 GPM (psi)0221382136155068227229191014408213021363544316831739680420772109816524682469