


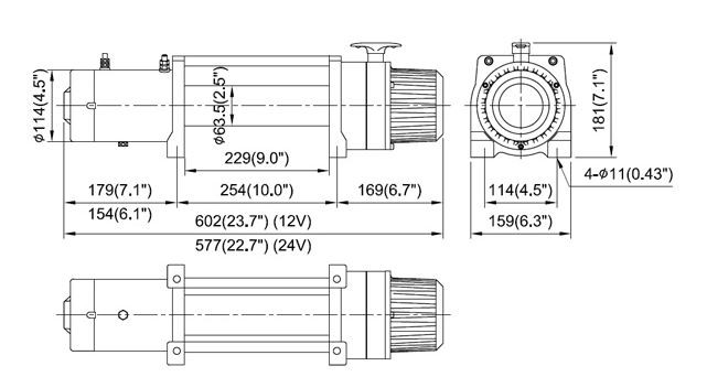
Velocità di tiro e Amp. (1° strato di cavo sul tamburo):
| Capacità di tiro, | Velocità di tiro, | Amp, A | |
| 12V | 24V | ||
| No carico | 13 / 42.7 | 55 | 30 |
| 907 / 2,000 | 4.6 / 15.0 | 110 | 65 |
| 1,814 / 4,000 | 3.4 / 11.0 | 200 | 100 |
| 2,722 / 6,000 | 2.7 / 9.0 | 230 | 130 |
| 3,629 / 8,000 | 2.3 / 7.5 | 260 | 170 |
| 4,082 / 9,000 | 2.0 / 6.4 | 350 | 210 |
Capacità di tiro:
| Strato di cavo | Capacità di tiro, kg / lb | Cavo totale per strato, m / ft |
| 1 | 4,082 / 9,000 | 6.1 / 20.0 |
| 2 | 3,316 / 7,310 | 13.6 / 44.7 |
| 3 | 2,792 / 6,154 | 22.6 / 74.0 |
| 4 | 2,410 / 5,314 | 30.5 / 100 |